一、中央空調水系統工作流程
	空調水系統包括冷卻水系統(冷卻水管、泵、冷卻塔、冷凝器、閥門等)、冷凍水系統(冷凍水管、泵、末端、閥門、保溫、膨脹水箱等)和冷凝水系統。
	
	
空調水系統包括:
1、冷媒水系統(空調水系統);
2、冷卻水系統;
3、冷凝水系統;
	
	
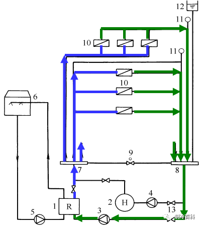
1-水冷冷水機組 ;2-鍋爐 ;3-冷凍水泵 ;4-熱水泵 ;5-冷卻水泵 ;6-冷卻塔 ;7-分水器;8-集水器 ;9-壓差控制閥 ;10-空調設備 ;11-自動排氣閥 ;12-膨脹水箱 ;13-閥門
	夏季供冷時 :下圖所示,冷水機組1制出的7℃冷凍水,在冷凍水泵3的作用下送至分水器7,然后由分水器通過各供水支管分別送至各空調房間或區域的空調設備10。
	
	
在空調設備中,冷凍水與空氣經熱濕交換后,水溫升至12℃又分別由各回水支管流回至集水器8,最后,返回至冷水機組1再被降溫處理至7℃,如此反復循環。
冬季供暖時 :鍋爐2制出的60℃熱水,在熱水泵4的作用下送至分水器7,然后按夏季供水路線循環,最后,返回至鍋爐2再重新被加熱處理。
	夏季供冷和冬季供暖的轉換,通過冷水機組和鍋爐進出水管上的閥門啟、閉實現。如下圖所示:
	
	
	圖中膨脹水箱12的主要作用是收集因水被加熱時體積膨脹而多出的水量,防止系統損壞造成漏水。另外,膨脹水箱還可起到補水和定壓作用。
	
	
水系統中管道的高處容易積聚空氣。當管道內存有空氣時,會形成所謂“氣堵”,影響水的流動。圖中自動排氣閥11是為隨時排除系統內的空氣而設置的。
水系統中設置閥門的作用 :
水系統中還要設置以下必要儀表和裝置
二、空調水系統的形式
空調水系統的功能是輸送冷熱量,以滿足空調設備處理空氣的需要。空調水系統的形式由于分類方式不一樣,有很多類型,常見的有:
★閉式系統和開式系統;
★兩管制系統、三管制系統和四管制系統;
★同程式系統和異程式系統;
★定流量系統和變流量系統;
★一次泵系統、二次泵系統和混合式系統。
	多聯機為什么故障頻出,就是這樣搞出來的!
	 
來源:制冷百科
如有侵權請聯系刪除

